凸耳偏心涡轮蝶阀-PA视讯泵阀制造(浙江)有限公司官网
  • PA视讯泵阀制造(浙江)有限公司官网

    PA视讯泵阀制造(浙江)有限公司官网

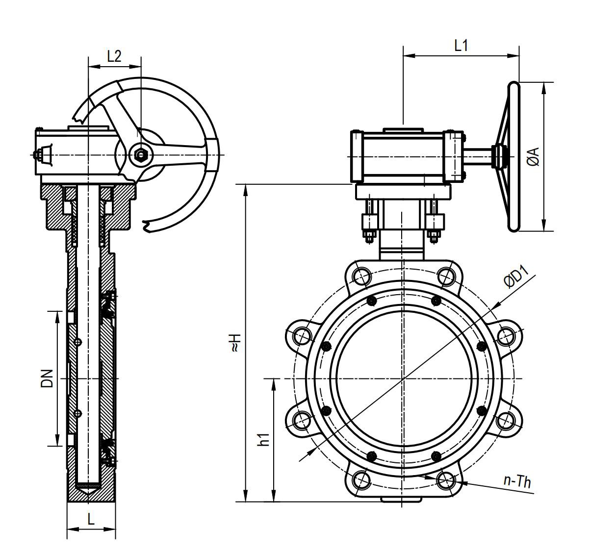
    凸耳偏心涡轮蝶阀

    关注次数:515次

    商品类型:蝶阀

    上架时间:2024-07-01 10:43:25

    产品描述:品名:凸耳偏心蜗轮蝶阀 D372F 计标准:GB/T3037  工作温度:-10~180℃ 适用介质:海水、淡水、原油、重油、润滑油、成品油等 操作方式:手动

    咨询电话:4001-588-933

    该阀门可用于控制空气、水、各种腐蚀性介质、泥浆、油品、液态金属和放射性介质等各种类型流体的流动。在管道上主要起切断和节流作用。蝶阀启闭件是一个圆盘形的蝶板,在阀体内绕其自身的轴线旋转,从而达到启闭或调节的目的。


    上一篇:半凸耳液压蝶阀
    下一篇:凸耳涡轮蝶阀
    PA视讯

    网站地图