关注次数:522次
商品类型:蝶阀
上架时间:2024-07-01 10:39:23
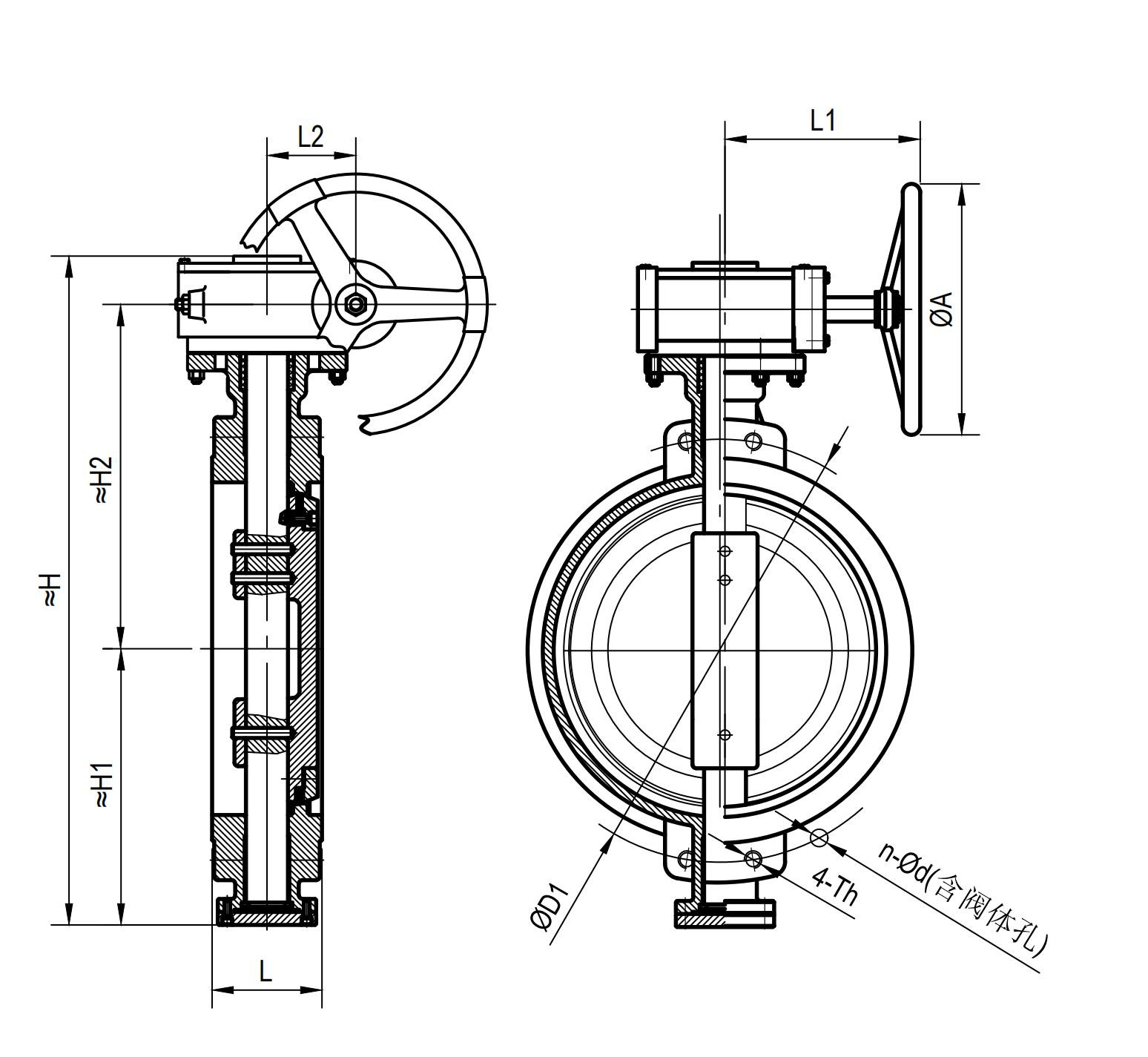
产品描述:品名:国标3037双偏心半凸耳蝶阀D372X 设计标准:GB/T3037 工作温度:-10~90℃ 适用介质:淡水、海水、油品等 操作方式:手动
咨询电话:4001-588-933
阀门可用于控制空气、水、蒸汽、各种腐蚀性介质、泥浆、油品、液态金属和放射性介质等各种类型流体的流动。在管道上主要起切断和节流作用。蝶阀启闭件是一个圆盘形的蝶板,在阀体内绕其自身的轴线旋转,从而达到启闭或调节的目的。