铜疏水阀-PA视讯泵阀制造(浙江)有限公司官网

PA视讯泵阀制造(浙江)有限公司官网

PA视讯泵阀制造(浙江)有限公司官网

铜疏水阀

关注次数:1405次

商品类型:疏水阀

上架时间:2024-07-02 09:54:48

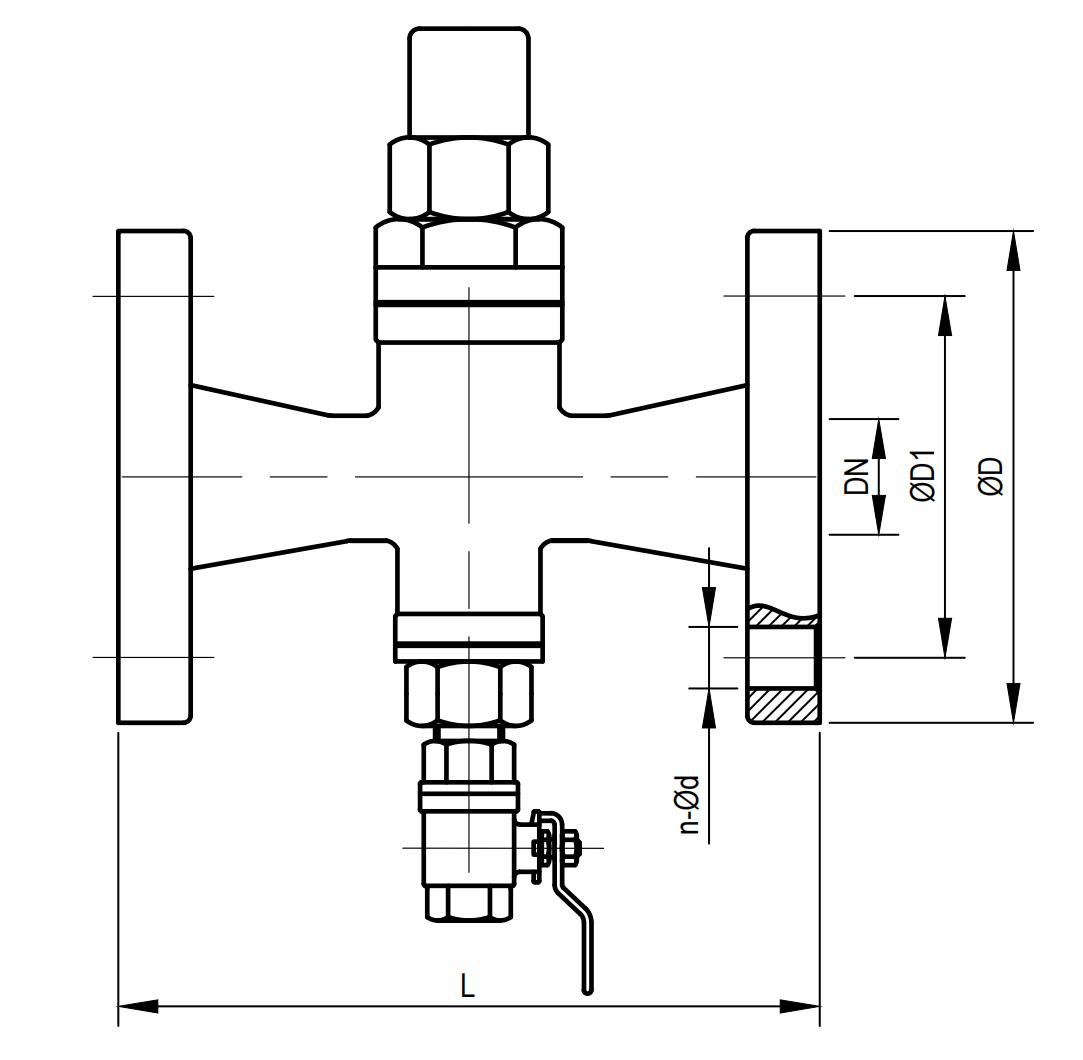
产品描述:品名:铜疏水阀设计标准:JB/T9093 工作温度: -10~200℃适用介质:水、蒸汽操作方式:

咨询电话:4001-588-933

温度感知、‌自动调节、‌节能、‌高效排水、‌长寿命,‌而其用途则主要体现在提高生产效率、‌节约能源、‌延长设备寿命、‌自动化控制、‌安全性的提升以及在工业自动化中的关键作用。‌

 

上一篇:没有了!
下一篇:没有了!
PA视讯

网站地图